药用型GMP烘箱
产品说明
◎加热热源有蒸汽、电、电蒸汽两用型三种方式。
◎使用温度:蒸汽加热50-140℃,^高150℃;电加热50-350℃;
◎温度实行自动控制,并且有记录仪记录;
◎箱体内壁均满焊,各过渡处均采用圆弧过渡,无死角。
◎整机密封性好,独特的导轨密封装置,保证了整机的密封性;
◎进风口配套高效空气过滤器;排湿口配套中效空气过滤器。
◎双开门烘箱双门实现机械联锁;
◎烘箱内各零部件均可快速拆卸、快速安装,以方便清洗;
◎控制系统备有文本显示器、触摸屏可供选择;
◎整机符合“GMP”要求。
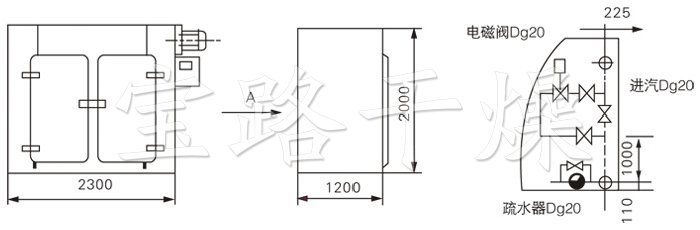
结构示意图

技术规格
| 型号/规格 |
每次干燥量 (kg) |
风机功率 (kw) |
耗用蒸气 (kg/h) |
烘车 (辆) |
烘盘 (只) |
宽×深×高 (mm) |
上下温度 (℃) |
| GMP-O | 35 | 0.45 | 8 | / | 16 | 1130×1100×1750 | ±2 |
| GMP-I | 120 | 0.45 | 18 | 2 | 48 | 2300×1200×2000 | ±2 |
| GMP-II | 240 | 0.9 | 36 | 4 | 96 | 2300×2200×2000 | ±2 |
| GMP-III | 360 | 1.35 | 54 | 6 | 144 | 3430×2200×2000 | ±2 |
| GMP-IV | 480 | 1.8 | 72 | 8 | 192 | 4460×2200×2290 | ±2 |
上一条:RXH系列热风循环烘箱
下一条:XF系列卧式沸腾干燥机
